1.5-Tryc trin deunydd cwbl drydan yw 2.0 Ton Electric Stacker sydd wedi'i gynllunio ar gyfer gweithrediadau cludo a phentyrru paledi ar ddyletswydd canolig.
Yn cynnwys gyrru trydan a systemau codi hydrolig trydan, mae'r lori yn cynnig perfformiad sefydlog ac effeithlonrwydd uchel.
Mae'r platfform gweithredu reidio-ymlaen-ymlaen) yn caniatáu i'r gweithredwr deithio gyda'r lori, gan ei wneud yn ddelfrydol ar gyfer tasgau trin pellter uchel a chanolig i hir.
Fe'i defnyddir yn eang mewn llawer o feysydd fel y canlynol
1. Gweithrediadau Arwyneb Awyr Agored a Heb eu Palmantu
Mae gan yr offer hwn deiars mawr oddi ar y ffordd, sy'n darparu tyniant a maneuverability rhagorol, gan ganiatáu iddo weithredu a chyflawni tasgau codi ar arwynebau heb balmant fel ffyrdd graean, tir mwdlyd, ardaloedd tywodlyd, a mannau glaswelltog. Mae'n addas ar gyfer warysau awyr agored a safleoedd gwaith dros dro.
2. Safleoedd Adeiladu a Phrosiectau Peirianneg
Mewn safleoedd adeiladu a pheirianneg, gellir defnyddio'r llwyfan gwaith erial ar y ffordd gyfan gwbl drydanol ar gyfer trin a chodi deunyddiau adeiladu, offer, a nwyddau wedi'u paletio, gan leihau llafur â llaw a gwella effeithlonrwydd logisteg y safle. Mae'n arbennig o addas ar gyfer amgylcheddau gwaith gydag amodau tir cymhleth a gofod cyfyngedig neu afreolaidd.
Gweithredu Fideo:
Nodwedd
Prif Nodweddion:
Dyluniad strwythur a rheolaeth:
Gweithrediad sefyll{0}}gweithrediad: Mae'r dyluniad gyrru i fyny yn gwneud y gorau o'r maes gweithredu o weld a hyblygrwydd rheoli, ac mae'n addas ar gyfer gweithrediadau mewn mannau bach.
Pob{0}}cyfaddasrwydd tir: Yn meddu ar yr holl-deiars tir a-fframiau cryfder uchel, gall addasu i dirweddau cymhleth fel mynyddoedd a mwd.
Maneuverability Compact: Mae dyluniad y corff yn gryno ac mae'r llywio yn hyblyg, sy'n addas ar gyfer gweithrediadau mewn amgylcheddau cul neu garw.





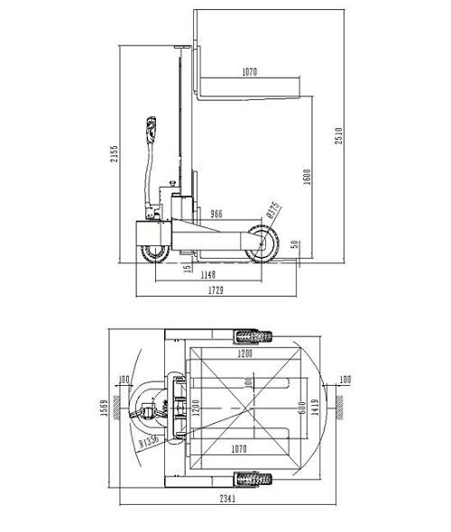
Manylebau Cynnyrch
|
Enw Cynnyrch |
1.5-2.0 Ton Trydan Stacker |
|
Capasiti llwyth (kg) |
1500-2000kg |
|
Uchder Codi |
2-3m |
|
Math o bŵer |
Llwytho a chodi trydan |
|
Lliw |
Gellir addasu Coch a Gwyrdd hefyd |
|
Hunan bwysau (kg) |
700-1100kg |
|
Gallu Batri |
24V/120Ah/210Ah |
Pacio a1.5-2.0Ton Stacker Trydan


Math o becyn:Blwch prena phaled.
Rydym fel arfer yn defnyddio ffilm ymestyn i lapio'r offer i leihau effaith lleithder. Mae'r gwaelod yn paled rhydd o fygdarthu allforio ac mae'r tu allan yn llawn mewn blychau pren. Yn gyffredinol, cedwir tyllau awyru yn y blwch ac ychwanegir gorchudd atal lleithder i ddiwallu anghenion cludiant môr neu gludiant amgylchedd lleithder uchel.
Ein Mantais:
Gwasanaeth 24 awr ar-lein:
Mae yna un cynrychiolydd gwerthu a fydd yn eich gwasanaethu o ymholiad i gynhyrchion sy'n cael eu cludo allan. Yn ystod y broses, 'ch jyst angen i chi drafod gyda hi ar gyfer yr holl broblemau ac mae'r ffordd yn arbed llawer o amser.
QC caeth:
Ar gyfer pob archeb, bydd yr adran QC yn cynnal archwiliad llym cyn ei anfon. Bydd yr ansawdd gwael yn cael ei osgoi o fewn y drws.
Tagiau poblogaidd: Stacker trydan 1.5-2.0 tunnell, gweithgynhyrchwyr pentwr trydan Tsieina 1.5-2.0 tunnell, cyflenwyr, ffatri











